QR Code
À propos de nous
Produits
Contactez-nous

Téléphone

Fax
+86-574-87168065

E-mail

Adresse
Zone industrielle de Luotuo, district de Zhenhai, City de Ningbo, Chine
SWC-WD de Raydafon SWC-WD sans flexion de type bride, le couplage universel est construit pour déplacer efficacement le couple dans les machines lourdes - pensez aux rouleaux en acier, aux grues, à l'équipement de levage, à tout cet équipement lourd. Il a une conception compacte et non télélescopique des brides, avec des diamètres de giration allant de 180 mm à 1320 mm. Ce couplage universel à brides courtes peut gérer les désalignements angulaires jusqu'à 15 degrés et un couple aussi élevé que 16000 kN · m, donc même dans les espaces restreints où il n'y a pas beaucoup de place, il continue de se transférer de manière fiable. Nous le faisons à partir d'acier 35crmo à haute résistance, avec une structure de roulement qui n'a pas besoin de boulons - parfaits pour les couplages universels pour les machines lourdes et les couplages universels non télélescopiques pour les applications industrielles. Il ne nécessite pas beaucoup d'entretien et dure éternellement, ce dont vous avez besoin dans les configurations difficiles.
Notre fabrication en Chine suit les normes ISO 9001, de sorte que le couplage universel SWC-WD résiste dans des conditions difficiles. L'arbre transversal est plaqué chromé pour résister à la corrosion, ajoutant à sa ténacité. Sa conception rigide et soudée de bride fait de l'installation un jeu d'enfant, en particulier dans la métallurgie et l'équipement minière où le mouvement axial est assez minime. Nous pouvons personnaliser la taille pour répondre à vos besoins, de sorte que ce couplage universel court durable fonctionne très bien en tant qu'accouplements universels personnalisés pour les systèmes de grues et autres travaux lourds. Et le prix est également compétitif. L'artisanat précis de Raydafon signifie moins de temps d'arrêt et d'équipement plus fiable - quelque chose que les opérateurs industriels du monde entier peuvent compter.
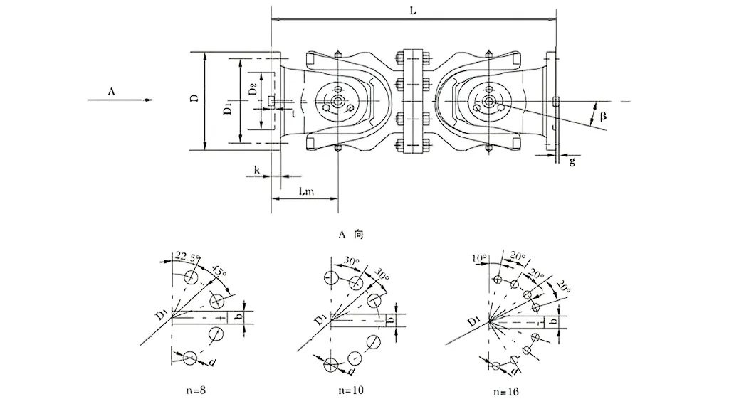
| Non. | Diamètre de giration D MM | Couple nominal TN Kn · m | Angle de pliage des axes β (°) | Couple fatigué TF Kn · m | Taille (mm) | Poids (kg) | |||||||||
| LMIN | D1 (JS11) | D2 (H7) | LM | n-d | k | t | b (H9) | g | LMIN | Augmenter 100 MM | |||||
| SWC180WD | 180 | 12.5 | 6.3 | ≤25 | 440 | 155 | 105 | 110 | 8-17 | 17 | 5 | - | - | 0.145 | 52 |
| SWC225WD | 225 | 40 | 20 | ≤15 | 480 | 196 | 135 | 120 | 8-17 | 20 | 5 | 32 | 9.0 | 0.355 | 82 |
| SWC250WD | 250 | 63 | 31.5 | 560 | 218 | 150 | 140 | 8-19 | 25 | 6 | 40 | 12.5 | 0.831 | 127 | |
| SWC285WD | 285 | 90 | 45 | 640 | 245 | 170 | 160 | 8-21 | 27 | 7 | 40 | 15.0 | 1.715 | 189 | |
| SWC315WD | 315 | 125 | 63 | 720 | 280 | 185 | 180 | 10-23 | 32 | 8 | 40 | 15.0 | 2.820 | 270 | |
| SWC350WD | 350 | 180 | 90 | 776 | 310 | 210 | 194 | 10-23 | 35 | 8 | 50 | 16.0 | 4.791 | 370 | |
| Swc390wd | 390 | 250 | 125 | 860 | 345 | 235 | 215 | 10-25 | 40 | 8 | 70 | 18.0 | 8.229 | 524 | |
| Swc440wd | 440 | 355 | 180 | 1040 | 390 | 255 | 260 | 16-28 | 42 | 10 | 80 | 20.0 | 15.320 | 798 | |
| Swc490wd | 490 | 500 | 250 | 1080 | 435 | 275 | 270 | 16-31 | 47 | 12 | 90 | 22.5 | 25.740 | 1055 | |
| SWC550WD | 550 | 710 | 355 | 1220 | 492 | 320 | 305 | 16-31 | 50 | 12 | 100 | 22.5 | 46.780 | 1524 | |
| Swc620wd | 620 | 1000 | 500 | 1360 | 555 | 380 | 340 | 10-38 | 55 | 12 | 100 | 25.0 | 83.760 | 2120 | |
* 1. TF-sous l'alternance charge le couple qui permet en fonction de la résistance à la fatigue.
Le couplage conjoint universel SWC de Raydafon - généralement appelé le couplage conjoint universel SWC Cardan Shaft - n'est pas seulement une partie; C'est un incontournable dans les champs industriels lourds, comme les rouleaux, les équipements de levage et toutes sortes de configurations de machines lourdes difficiles. En tant que couplage conjoint universel à torque élevé, il fait un travail solide reliant deux arbres de transmission qui ne sont pas parfaitement alignés, en s'assurant que la puissance est livrée en douceur même lorsque les conditions de travail sont vraiment dures.
Parlons de ses spécifications principales: le diamètre de giration varie de φ58 à φ620, le couple nominal passe de 0,15 à 1000 kN · m et l'angle de pliage de l'axe n'est pas supérieur à 25 °.
Ce couplage fonctionne mieux dans des endroits spécifiques, comme lorsque vous avez besoin d'un couplage joint universel lourd fiable pour les opérations de rouleaux, ou d'un couplage de l'arbre joint universel SWC durable dans l'équipement de levage et de manutention des matériaux. Dans ces cas, il montre sa force: même sous de grosses contraintes, il maintient les opérations stables, pas de gâchis ni de pannes.
Le couplage conjoint universel SWC de Raydafon n'est pas seulement lancé ensemble - il est construit avec une ingénierie intelligente et à jour pour travailler très bien et tenir longtemps dans un usage industriel. Profitons de ce qui fait ressortir sa structure.
Tout d'abord, il a une configuration raisonnable et sûre: nous avons utilisé une conception de tête de fourche intégrée pour ce couplage conjoint universel industriel, ce qui réduit les risques comme les boulons qui se détachent ou se brisent. Ce réglage à lui seul le rend 30% à 50% plus solide dans l'ensemble, il fonctionne donc en toute sécurité et de manière cohérente. Par rapport aux accouplements réguliers, il dure bien plus longtemps et évite les problèmes courants dans les points de haute tension, comme les systèmes de couplage conjoint universels de machines lourdes que vous voyez dans des travaux difficiles.
Ensuite, il y a sa capacité de chargement améliorée: ce couplage joint universel SWC est conçu pour gérer de gros poids, il s'agit donc d'un incontournable dans des endroits qui ont besoin d'une manipulation de charge haut de gamme, comme des équipements miniers ou des machines de construction.
Il atteint également une efficacité de transmission élevée, jusqu'à 98,6%. En tant que couplage articulaire universel efficace pour une grande transmission de puissance, il réduit la consommation d'énergie et les coûts qui l'accompagnent. C’est pourquoi il s’agit d’un choix supérieur pour les solutions de couplage conjointes universelles à économie d’énergie dans des configurations de transmission industrielle haute puissance.
Et il fonctionne lisse avec un faible bruit: la transmission reste stable et le bruit oscille généralement entre 30 et 40 dB (a). Ce couplage commun universel à faible bruit maintient les opérations silencieuses, ce qui est parfait pour les endroits industriels où le bruit est un problème, tout en gardant la fiabilité à un niveau élevé.
⭐⭐⭐⭐⭐ Zhang Wei, ingénieur en chef, Henan Mining Equipment Co., Ltd.
Nous avons mis le raccourci SWC-WD de Raydafon sans couplage universel de type bride flexible sur notre machinerie minière, et cela a été un ajustement parfait. Sa conception compacte est exactement ce dont nous avons besoin pour des espaces serrés où il n'y a pas beaucoup de place à perdre, et la construction est suffisamment difficile pour maintenir les opérations stables. Même lorsqu'il fonctionne sans arrêt dans des conditions lourdes, ce couplage ne nous laisse jamais tomber - pas du tout des échecs. Notre équipe de maintenance adore qu'il ait à peine besoin de vérifier, ce qui signifie que nous pouvons maintenir la production en douceur sans tracas supplémentaire.
⭐⭐⭐⭐⭐ Michael Brown, directeur des opérations, Texas Steel Works, USA
Notre atelier du Texas a commandé le SWC-WD Short sans couplage universel de type bride Flex de Raydafon, et honnêtement, la qualité nous a époustouflé. Les accouplements sont très bien usinés, les installer est un jeu d'enfant, et ils tiennent de manière fiable même lorsqu'ils sont sous charge. Qu'est-ce qui m'a le plus tenu? À quel point il équilibre le prix et les performances - vous ne trouvez pas souvent ce sweet spot. Trouver un fournisseur qui fournit constamment ce niveau de qualité n'est pas facile, mais Raydafon a absolument prouvé qu'il est un partenaire digne de confiance pour nous.
⭐⭐⭐⭐⭐ Anna Müller, superviseur de maintenance, Berlin Industrial Solutions, Allemagne
Nous mettons le raccourci SWC-WD de Raydafon sans couplage universel de type bride flexible sur notre ligne d'équipement Berlin, et les résultats ont été excellents. Le produit lui-même se sent solide en roche, le soudage est précis - aucun travail de mauvaise qualité ici - et jusqu'à présent, il est très bien tenu, montrant une durabilité de premier ordre. Par rapport à certaines autres marques que nous avons utilisées ici en Europe, ce couplage est beaucoup plus fiable, et le prix est également beaucoup plus compétitif. Si d'autres sociétés recherchent des couplages universels fiables, je recommanderais absolument Raydafon.
SWC-WD de Raydafon SWC-WD sans couplage universel de type bride flexible - souvent appelé le couplage joint universel de l'arbre SWC Cardan - est construit pour des points industriels serrés, où l'espace est limité et vous avez besoin d'une conception de longueur fixe (pas d'extension télescopique). En tant que couplage articulaire universel à torque élevé, il déplace efficacement le couple entre les arbres qui ne sont pas alignés, manipulant les écarts angulaires jusqu'à 25 degrés, et il reste fiable même dans des environnements robustes.
Parlons de ses caractéristiques clés: il a une structure compacte et rigide - cette configuration de bride courte et non flexible en fait un couplage joint universel lourd fiable pour les opérations de roulement, offrant une stabilité supplémentaire dans les configurations où le mouvement axial est minime. C’est pourquoi cela fonctionne si bien pour les connexions à distance fixe dans les machines difficiles. Ensuite, il y a sa capacité de charge élevée: nous utilisons des matériaux difficiles comme la fonte ou l'acier en alliage pour le faire, il s'agit donc d'un accouplement de l'arbre joint SWC durable dans l'équipement de levage et de manutention des matériaux. Il contient de gros poids et transmet plus de couple que les autres accouplements du même diamètre, ce qui le rend parfait pour les charges lourdes en équipement minier ou de construction.
Ce couplage conjoint universel industriel compense également très bien le désalignement, qu'il s'agisse de désalignement angulaire, parallèle ou axial, il ne gâche pas la vitesse de rotation ou le transfert de couple. Cela signifie un fonctionnement en douceur dans les systèmes de couplage communs universels de machines lourdes. Et il est efficace dans la transmission de puissance: frapper jusqu'à 98,6% d'efficacité, ce couplage conjoint universel SWC à usage lourd maintient une perte d'énergie faible, ce qui en fait un couplage conjoint universel efficace pour une grande transmission de puissance dans les configurations industrielles de haute puissance.
De plus, il est conçu pour économiser de l'énergie et faire du silence - si vous avez besoin de solutions de couplage commune universelles, il s'agit d'un choix supérieur, réduisant les coûts opérationnels. Et il maintient du bruit entre 30 et 40 dB (A), donc ce couplage commun universel à faible bruit s'adapte dans les endroits industriels où le bruit est une préoccupation.
Ce couplage brille vraiment dans des scénarios spécifiques, comme lorsque vous avez besoin d'un couplage commun de joint universel fiable pour les opérations de rouleaux, ou d'un couplage de l'arbre joint SWC durable dans l'équipement de levage et de manutention des matériaux. Dans ces cas, même avec des charges extrêmes et un espace limité, il maintient les opérations stables, pas de hoquet.
En ce qui concerne les applications de couplage conjointe universel industrielles, notre variante SWC-WD se démarque avec une ingénierie intelligente qui le rend mieux et dure plus longtemps. Parlons de sa structure clé: il a une configuration raisonnable et sûre avec une conception de tête de fourche intégrée - cela se débarrasse de problèmes comme les boulons qui se détachent ou se cassent, augmentant la résistance globale de 30% à 50%. Cela signifie qu'il fonctionne en toute sécurité et de manière fiable, dure plus longtemps que les modèles à l'ancienne et évite les pannes courantes dans des endroits à stress élevé, comme les systèmes de couplage conjoint universels de machines lourdes.
De plus, il peut gérer beaucoup plus de charges - nous l'avons construit pour soutenir des poids plus lourds, donc ce couplage conjoint universel SWC est parfait pour des endroits qui ont besoin d'une manipulation de charge difficile, comme l'équipement d'exploitation ou de construction. Il déplace également la puissance super efficacement, frappant jusqu'à 98,6% d'efficacité de transmission. En tant que couplage articulaire universel efficace pour une transmission de puissance importante, il réduit la consommation d'énergie et les coûts qui l'accompagnent, ce qui en fait un choix supérieur pour les solutions de couplage communs universelles d'énergie dans les configurations de transmission industrielle de haute puissance.
Et il se déroule lisse avec à peine du bruit - la transmission reste stable et le bruit reste généralement entre 30 et 40 dB (A). Ce couplage commun universel à faible bruit maintient les opérations silencieuses, ce qui est parfait pour les endroits industriels où le bruit est un problème, tout en gardant la fiabilité à un niveau élevé.
Raydafon n'est pas seulement un autre nom dans les pièces de transmission - nous sommes un fabricant et un fournisseur de premier plan de composants de transmission haute performance et de solutions de machines industrielles, et nous nous sommes concentrés sur des produits comme le couplage conjoint universel SWC Cardan Shaft. Nous avons commencé à suivre ce dont les industries mondiales ont besoin à mesure qu'elles évoluent, et au fil du temps, nous avons construit une gamme complète: boîtes de vitesses, arbres de conduite, cylindres hydrauliques, poulies, machines-outils de précision, toutes conçues pour augmenter la façon dont les secteurs agricoles et robustes se déroulent. Nous sommes importants en matière d'innovation, c'est pourquoi nous pouvons fournir un couplage conjoint universel fiable pour les opérations conjointes universelles pour les opérations roulantes qui s'adaptent même aux systèmes les plus complexes sans accroc.
Nos installations sont également de premier ordre - nous avons des ateliers CNC, des équipements de broyage et de traitement thermique et des systèmes de mesure 3D avancés. Nous nous en tenons à des normes de qualité strictes comme ISO9001 / TS16949, et cette configuration nous permet de faire des solutions de couplage conjointes universelles à haute voix qui déplacent le couple grand et gère le désalignement comme un pro. Prenez notre couplage de l'arbre joint SWC durable dans des équipements de levage et de manutention, par exemple - il est construit pour des endroits qui ont besoin d'une puissance de charge difficile. Et notre ligne de couplage conjointe universelle industrielle? Il couvre toutes sortes d'utilisations où la précision et la robustesse comptent le plus.
Quatre-vingt pour cent de ce que nous faisons sont exportés - l'ensemble vers des endroits comme les États-Unis, l'Allemagne, le Japon, l'Italie, la Malaisie, l'Australie et le Moyen-Orient. Nous avons de forts réseaux en Chine, en Corée du Sud, au Royaume-Uni, à Singapour, aux États-Unis et en Espagne aussi, donc nous sommes solides à l'échelle mondiale. Cette portée nous permet d'offrir des options de couplage conjointes universelles SWC à usage lourd SWC - qui ne cessent exactement de ce dont les clients ont besoin, comme dans les systèmes de couplage conjoint universels de machines lourdes où rester stable sous des charges extrêmes n'est pas négociable.
Nous nous soucions de la durabilité et de la fabrication de solutions qui mettent les clients en premier. C’est pourquoi nous développons des solutions de couplage articulaire universel qui sauvent d’énergie qui atteignent l’efficacité de transmission jusqu'à 98,6% - en réduisant la consommation d’énergie dans les configurations de haute puissance. Que vous ayez besoin d'un couplage articulaire universel efficace pour une grande transmission de puissance ou un couplage commun universel à faible bruit pour les points industriels où le bruit est un problème, nos produits sont livrés avec un service après-vente complet. C’est ainsi que nous sommes devenus un partenaire de confiance dans l’industrie de la transmission - nous ne vendons pas seulement des pièces, nous les soutenons.
Adresse
Zone industrielle de Luotuo, district de Zhenhai, City de Ningbo, Chine
Tél


+86-574-87168065


Zone industrielle de Luotuo, district de Zhenhai, City de Ningbo, Chine
Copyright © Raydafon Technology Group Co., limité tous droits réservés.
Links | Sitemap | RSS | XML | politique de confidentialité |
