QR Code
À propos de nous
Produits
Contactez-nous

Téléphone

Fax
+86-574-87168065

E-mail

Adresse
Zone industrielle de Luotuo, district de Zhenhai, City de Ningbo, Chine
Le couplage universel de type soudage SWC-DH de Raydafon est conçu pour connecter les arbres mal alignés en équipement lourd - pensez aux rouleaux de rouleaux, aux palans et aux machines de traitement de l'acier. Il s'agit d'un couplage universel compact à court flexion, avec un diamètre de giration qui varie de 45 mm à 390 mm. Même lorsque les arbres sont éteints jusqu'à 25 degrés (désalignement angulaire), il déplace toujours efficacement le couple - en montant à 1000 kN · m, ce qui s'intègre parfaitement aux besoins de puissance de l'équipement lourd.
Nous le faisons avec de l'acier 35crmo à haute résistance et ajoutons quatre roulements à aiguille, il tient donc sous des charges lourdes. C’est pourquoi il s’agit d’un choix solide pour les accouplements universels de machines industriels, et fonctionne très bien en tant que couplages universels soudés en équipement lourd dans des endroits où les charges restent élevées sans arrêt. Sa conception à flex courte est parfaite pour les machines avec peu de place pour le mouvement axial - donne également une solution de transmission difficile pour les espaces industriels difficiles.
Raydafon est un fabricant en Chine avec certification ISO 9001, nous nous en tenons donc à des règles de qualité strictes pour chaque couplage universel SWC-DH. L'arbre transversal obtient une plaque chromée pour combattre la corrosion, donc elle dure même lorsque les conditions sont dures. Le joug soudé facilite l'installation également - juste entendre les arbres à droite, et il fonctionne à son meilleur. Vous le trouverez sur l'équipement dans les systèmes de métallurgie, d'extraction et de grue, pas de problème.
De plus, ce couplage est disponible en différentes tailles et cotes de couple. Si vous avez besoin d'un couplage universel personnalisé pour les machines industrielles - disons, pour les récolteurs ou d'autres équipements spécifiques - nous pouvons l'adapter à vos besoins, et le prix reste compétitif. Nous avons le savoir-faire de la fabrication pour faire en sorte que ce couplage flexible réduit les temps d'arrêt de l'équipement, de sorte que vos machines fonctionnent de manière plus fiable dans l'ensemble.
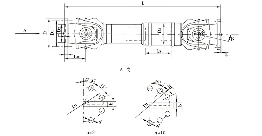
| Non. | Diamètre de giration D MM | Couple nominal TN Kn · m | Angle de pliage des axes β (°) | Couple fatigué TF Kn · m | Quantité de flexion LS MM | Taille (mm) | Inertie rotative kg.m2 | Poids (kg) | |||||||||||
| LMIN | D1 (JS11) | D2 (H7) | D3 | LM | n-d | k | t | b (H9) | g | LMIN | Augmenter 100 MM | LMIN | Augmenter 100 MM | ||||||
| SWC180DH1 | 180 | 20 | 10 | ≤25 | 75 | 650 | 155 | 105 | 114 | 110 | 8-17 | 17 | 5 | - | - | 0.165 | 0.0070 | 58 | 2.8 |
| SWC180DH2 | 55 | 600 | 0.162 | 56 | |||||||||||||||
| SWC180DH3 | 40 | 550 | 0.160 | 52 | |||||||||||||||
| SWC225DH1 | 225 | 40 | 20 | ≤15 | 85 | 710 | 196 | 135 | 152 | 120 | 20 | 5 | 32 | 9.0 | 0.415 | 0.0234 | 95 | 4.9 | |
| SWC225DH2 | 70 | 640 | 0.397 | 92 | |||||||||||||||
| SWC250DH1 | 250 | 63 | 31.5 | ≤15 | 100 | 795 | 218 | 150 | 168 | 140 | 8-19 | 25 | 6 | 40 | 12.5 | 0.900 | 0.0277 | 148 | 5.3 |
| SWC250DH2 | 70 | 735 | 0.885 | 136 | |||||||||||||||
| SWC285DH1 | 285 | 90 | 45 | ≤15 | 120 | 950 | 245 | 170 | 194 | 160 | 8-21 | 27 | 7 | 40 | 15.0 | 1.876 | 0.0510 | 229 | 6.3 |
| SWC285DH2 | 80 | 880 | 1.801 | 221 | |||||||||||||||
| SWC315DH1 | 315 | 125 | 63 | ≤15 | 130 | 1070 | 280 | 185 | 219 | 180 | 10-23 | 32 | 8 | 40 | 15.0 | 3.331 | 0.0795 | 346 | 8.0 |
| SWC315DH2 | 90 | 980 | 3.163 | 334 | |||||||||||||||
| SWC350DH1 | 350 | 180 | 90 | ≤15 | 140 | 1170 | 310 | 210 | 267 | 194 | 10-23 | 35 | 8 | 50 | 16.0 | 6.215 | 0..2219 | 508 | 15.0 |
| SWC350DH2 | 90 | 1070 | 5.824 | 485 | |||||||||||||||
| SWC390DH1 | 390 | 250 | 125 | ≤15 | 150 | 1300 | 345 | 235 | 267 | 215 | 10-25 | 40 | 8 | 70 | 18.0 | 11.125 | 0.2219 | 655 | |
| SWC390DH2 | 90 | 1200 | 10.763 | 600 | |||||||||||||||
* 1. TF-sous l'alternance charge le couple qui permet en fonction de la résistance à la fatigue. * 2. Lmin-la moindre longueur après la coupe. * 3. Longueur de l'installation de L, qui est selon l'exigence
Le couplage conjoint universel SWC, souvent appelé couplage conjoint universel de l'arbre Cardan SWC, est un élément clé des scénarios industriels robustes. Il est indispensable pour les rouleaux de rouleaux, les machines de levage et divers systèmes de machines lourds à grande échelle. En tant que couplage articulaire universel à torque élevé, il peut connecter efficacement deux arbres de transmission avec des axes non coïncants, garantissant une transmission de puissance ininterrompue même dans des conditions de travail complexes et difficiles.
Les paramètres techniques de base de ce couplage sont les suivants:
Diamètre de giration: φ58 - φ620
Couple nominal: 0,15 - 1000 kN · m
Angle de pliage de l'axe: ≤25 °
Dans les applications pratiques, il fonctionne exceptionnellement bien. Par exemple, pendant les opérations roulants, lorsqu'un couplage commun des articulations universels fiables dédiés aux rouleaux roulants est nécessaire, ou dans le matériel de levage et de manutention, lorsqu'un couplage de tige d'articulation universel SWC durable est nécessaire, ce produit est entièrement compétent. Même sous des charges lourdes, il peut maintenir de manière stable la stabilité opérationnelle de l'équipement.
Le couplage conjoint universel SWC est conçu à l'aide de principes d'ingénierie avancée, offrant des performances exceptionnelles et une durée de vie plus longue dans les environnements industriels. Ses principales caractéristiques structurelles sont les suivantes:
Structure raisonnable et sûre: avec une conception de tête de fourche intégrée, ce couplage conjoint universel industriel réduit le risque de relâchement ou de rupture du boulon, augmentant la résistance structurelle de 30% à 50%. Cette conception garantit un fonctionnement sûr et fiable, prolonge la durée de vie par rapport aux modèles traditionnels et empêche les défaillances communes dans les scénarios à haute pression tels que les systèmes de couplage conjoint universels de machines lourdes.
Capacité de chargement améliorée: le couplage conjoint universel SWC est spécifiquement conçu pour porter des charges lourdes, ce qui le rend essentiel dans des scénarios nécessitant une excellente gestion de charge telle que l'exploitation minière ou les machines de construction.
Efficacité de transmission élevée: avec une efficacité allant jusqu'à 98,6%, ce couplage conjoint universel efficace pour une transmission de haute puissance réduit considérablement la consommation d'énergie et les coûts connexes, ce qui en fait le premier choix pour les solutions de couplage commune universelles d'économie d'énergie dans les systèmes de transmission industrielle de haute puissance.
Fonctionnement stable avec un faible bruit: ce couplage conjoint universel à faible bruit fonctionne de manière stable avec des niveaux de bruit généralement entre 30 et 40 dB (A), garantissant des performances silencieuses. Il est idéal pour les environnements sensibles au bruit tout en maintenant une grande fiabilité.
Les accouplements communs universels, en particulier le couplage conjoint universel de SWC Cardan Arbre, sont devenus des composants de transmission indispensables dans les applications industrielles en raison de leurs avantages exceptionnels. Ils peuvent répondre aux besoins de base de leurs performances dans des domaines tels que des machines lourdes, la fabrication de précision et la transmission d'énergie. Vous trouverez ci-dessous une analyse détaillée de leurs principaux avantages:
1. Transmission de couple forte et excellente compensation de désalignement
En tant que couplage articulaire universel à torque élevé, il peut transmettre de manière stable les charges de haute puissance. Même dans les scénarios où le désalignement de l'arbre se produit fréquemment pendant les opérations de rouleaux de rouleau, comme le décalage axial causé par l'usure des rouleaux et les changements de température pendant le roulement en acier - ce couplage fiable de joints universels lourds pour les opérations de rouleaux peut le gérer avec facilité. Il peut compenser simultanément les désalignements angulaires, axiaux et radiaux, avec un désalignement angulaire maximal allant jusqu'à 25 degrés. Cette excellente adaptabilité de désalignement empêche les confitures de transmission causées par un désalignement des arbres, assure une prestation de puissance continue et stable, réduit considérablement la probabilité d'échecs mécaniques dans des conditions de travail extrêmes et garantit le fonctionnement continu des lignes de production.
2. Durabilité élevée et durée de vie plus longue
La conception et la sélection des matériaux des accouplements articulaires universels SWC sont centrés sur "Résister à des charges lourdes et à résister aux environnements durs". Le corps principal est en acier en alliage à haute résistance, combiné à une structure de tête de fourche intégrée, ce qui réduit fondamentalement les points de défaillance communs tels que le relâchement des boulons et la rupture des composants. En prenant le couplage de l'arbre joint SWC durable utilisé dans le relevé et l'équipement de manutention des matériaux, il peut résister à la charge d'impact instantanée lors de la levée d'objets lourds et de maintenir des performances stables dans des environnements difficiles tels que la poussière et des températures élevées. Par rapport aux accouplements traditionnels de structure divisée, ce couplage conjoint universel industriel a une résistance globale augmentée de 30% à 50%, ce qui réduit non seulement la fréquence de maintenance quotidienne, mais prolonge également la durée de vie de 2 à 3 ans. Il convient particulièrement aux besoins de fonctionnement à long terme à long terme des systèmes de couplage conjoint universels de machines lourdes.
3. Efficacité de transmission élevée et effet d'économie d'énergie significatif
Les tests ont montré que l'efficacité de transmission du couplage conjoint universel SWC est jusqu'à 98,6%, ce qui présente des avantages évidents dans les scénarios de transmission industrielle de haute puissance, tels que les ventilateurs de haut fourneau dans les centrales en acier et les systèmes de conduite de charbon dans les centrales électriques. Pour l'équipement qui nécessite une transmission continue à haute puissance, la correspondance avec ce couplage conjoint universel efficace pour une grande transmission de puissance peut minimiser la perte de puissance. Pour les entreprises poursuivant les solutions de couplage commune universelles d'économie d'énergie, cette grande efficacité peut être directement convertie en avantages de coûts: prendre un moteur industriel de 1500 kW à titre d'exemple, il peut économiser plus de 12 000 yuans dans les coûts d'électricité par an, et peut aider les entreprises à réduire les coûts de fonctionnement considérables dans le domaine industriel, tout en se complant avec l'économie d'énergie et la consommation-réduction des tendances dans le domaine industriel.
4. Fonctionnement stable et silencieux, adapté à plusieurs scénarios
En optimisant la précision de l'ajustement de roulement et en utilisant de la graisse lubrifiante avec un coefficient de frottement faible, le bruit de fonctionnement de ce couplage articulaire universel à faible bruit est strictement contrôlé à 30 à 40 dB (A), ce qui est équivalent au niveau de bruit ambiant d'un bureau quotidien et se conforme pleinement aux étalons d'émission de bruit des sites industriels. Dans les scénarios sensibles au bruit - comme les lignes de production dans les usines de transformation des aliments et l'équipement de transport pour les composants électroniques de précision - cela peut non seulement assurer la stabilité et la fiabilité du système de transmission, mais également d'éviter d'affecter l'environnement de l'atelier ou l'expérience d'exploitation des employés en raison du bruit. Dans le même temps, les caractéristiques de transmission stables peuvent également réduire l'usure des composants environnants causés par les vibrations de l'équipement, améliorant encore la stabilité de fonctionnement et la durée de vie de l'ensemble du système de production.
Le couplage universel de type de soudage SWC-DH Flex Swc-DH, souvent appelé couplage joint universel de l'arbre Cardan SWC, est principalement utilisé dans des scénarios de machines lourds tels que les rouleaux et les palans. Ce type d'équipement a des exigences extrêmement élevées en matière de compacité structurelle et de flexibilité, mais en répondant à ces deux points peut être réalisé efficace, et ce couplage répond parfaitement à ces besoins. En tant que couplage articulaire universel à torque élevé, il peut connecter efficacement deux arbres de transmission avec des axes non coïncants, assurant une transmission de puissance transparente même dans des environnements industriels durs qui nécessitent une compensation précise pour le désalignement du système d'arbre.
Dans les applications pratiques, qu'il s'agisse d'un couplage conjoint universel lourd fiable pour les opérations de rouleaux de roulement est nécessaire pendant les travaux de rouleaux de roulement, ou un couplage de l'arbre conjoint SWC durable est requis dans le levage et l'équipement de manutention, ce produit peut fonctionner parfaitement - il peut maintenir une opération d'équipement stable même sous des charges extrêmes. Son avantage d'adaptabilité est particulièrement important dans les dispositions d'équipement compactes où l'espace est limité et une courte conception de structure flexible est requise.
Ce couplage conjoint universel industriel SWC-DH est construit avec une technologie d'ingénierie avancée et optimisé pour les performances et la durée de vie spécifiquement pour les scénarios industriels. Sa caractéristique structurelle de base réside dans sa conception raisonnable et sûre: la structure intégrée de la tête de la fourche élimine fondamentalement les dangers cachés de la desserrage ou de la rupture des boulons, augmentant la résistance globale de 30% à 50%. Cette conception garantit non seulement la sécurité et la fiabilité du fonctionnement, mais prolonge également la durée de vie par rapport aux modèles traditionnels, tout en évitant les problèmes de défaillance courants dans des scénarios d'application à forte stress tels que les systèmes de couplage commun de machines lourdes.
De plus, sa capacité de charge est améliorée par la conception pour résister à des poids plus importants, donc ce couplage conjoint universel SWC est très adapté aux scénarios avec des exigences strictes sur la capacité de charge, telles que les machines d'extraction et l'équipement de construction. En termes d'efficacité de transmission, il atteint jusqu'à 98,6%. En tant que couplage conjoint universel efficace pour une transmission de puissance importante, il peut réduire considérablement la consommation d'énergie et les coûts d'électricité, ce qui en fait un produit préféré pour les solutions de couplage articulaire universel qui sauvent de l'énergie dans le domaine de la transmission industrielle de haute puissance.
Enfin, ce couplage présente une transmission stable, avec un bruit de fonctionnement généralement contrôlé à 30 à 40 dB (a), ce qui en fait un couplage articulaire universel à faible bruit. Cette caractéristique lui permet de fonctionner tranquillement même dans des scénarios industriels sensibles au bruit tout en maintenant une forte fiabilité à tout moment.
⭐⭐⭐⭐⭐ Wang Lei, ingénieur de projet, Guangdong Heavy Machinery Co., Ltd.
Nous utilisons le couplage universel de type SWC-DH de SWC-DH de Raydafon dans notre machinerie lourde depuis un certain temps maintenant, et cela a été une agréable surprise, surtout en ce qui concerne les endroits serrés. Notre équipement a un espace assez limité pour les pièces de transmission, mais la conception compacte de ce couplage convient comme un gant, pas besoin de réorganiser d'autres composants juste pour le faire fonctionner.
Ce qui est encore mieux, c'est qu'il ne sacrifie pas les performances pour la taille. Il offre toujours une transmission de couple solide et régulière - critique pour nos opérations lourdes. Nous l'avons exécuté en continu pendant des semaines, et il n'y a eu aucune vibration anormale; L'ensemble du système reste fluide. La qualité du soudage est également un autre moment fort - vous pouvez dire qu'il est solide simplement en le regardant, ce qui nous donne une confiance totale qu'elle résistera à une utilisation intensive à long terme. Pour un couplage qui équilibre la conception et la fiabilité de l'économie d'espace, celle-ci est gagnante.
⭐⭐⭐⭐⭐ Zhao Ming, gestionnaire d'approvisionnement, Tianjin Steel Equipment Co., Ltd.
Nous avons récemment commandé plusieurs couplages SWC-DH de Raydafon, et je dois dire que l'ensemble du processus d'approvisionnement était un jeu d'enfant - pas de maux de tête, pas de retards. À partir du moment où nous avons envoyé l'ordre, leur équipe était réactive et la livraison est apparue juste à la date prévue, ce qui est un gros plus pour garder notre production sur la bonne voie. L'emballage était également de premier ordre: chaque couplage était enveloppé en toute sécurité, pas de bosses ni de dégâts pendant l'expédition - juste prêt à déballer et à installer.
Notre équipe technique a géré la configuration, et ils ont mentionné tout de suite à quel point il était facile de monter. Pas de mesures compliquées, pas besoin de chasser des outils spéciaux - ils l'ont ajusté rapidement, et il fonctionne de manière fiable depuis. Lorsque vous tenez compte du prix raisonnable associé à ces performances cohérentes, il est clair que ce couplage offre une grande valeur. Nous prévoyons déjà de le garder sur notre liste de passation des marchés réguliers; C’est le type de produit qui facilite mon travail d’acheteur.
⭐⭐⭐⭐⭐ Liu Hong, directeur de maintenance, groupe industriel Shandong
En tant que personne qui supervise l'entretien de l'équipement, ma plus grande priorité est de réduire les temps d'arrêt et de réduire le temps que mon équipe passe pour entretenir des pièces. Le couplage SWC-DH de Raydafon vérifie parfaitement ces deux cases. Nous l'utilisons dans des équipements qui se déroulent quotidiennement sous des charges de travail lourdes, et elle ne glisse ni ne se déplace - ne place fermement pas de connexions lâches. Même après des mois d'utilisation, il n'y a pratiquement aucun signe d'usure, ce qui contraste énormément avec les autres couplages que nous avons utilisés auparavant.
Avec ces couplages plus âgés, nous planifions toujours des corrections rapides ou des remplacements de pièce, qui ont mangé dans le temps de production et additionné en coûts. Celui-ci? Nous le touchons à peine - pas de service fréquent, pas de pannes inattendues. Cela nous a fait économiser tellement de temps et d'argent sur la maintenance, et il ne cesse de faire son travail de manière fiable. Ces jours-ci, c'est devenu un composant incontournable dans nos opérations quotidiennes; Je n'ai pas à me soucier de l'échec, ce qui me permet de me concentrer sur d'autres priorités. C’est exactement le genre de partie fiable dont l’équipe de maintenance a besoin.
Adresse
Zone industrielle de Luotuo, district de Zhenhai, City de Ningbo, Chine
Tél


+86-574-87168065


Zone industrielle de Luotuo, district de Zhenhai, City de Ningbo, Chine
Copyright © Raydafon Technology Group Co., limité tous droits réservés.
Links | Sitemap | RSS | XML | politique de confidentialité |
