QR Code
À propos de nous
Produits
Contactez-nous

Téléphone

Fax
+86-574-87168065

E-mail

Adresse
Zone industrielle de Luotuo, district de Zhenhai, City de Ningbo, Chine
SWC-WF de Raydafon sans flux de bride flexible, le couplage universel est fait uniquement pour la transmission à haute teneur en torque dans les machines lourdes - pensez à l'équipement de métallurgie, aux grues, aux systèmes d'exploitation, à toutes les configurations difficiles qui ont besoin d'une puissance régulière. Il a une conception de bride non flexible, des diamètres de giration allant de 160 mm à 640 mm, et ce couplage universel de type bride gère les grosses désalignements angulaires et les vitesses rotatives continues sans problème, même lorsque vous travaillez dans des conditions super exigeantes. Nous utilisons de l'acier 35crmo à haute résistance pour le construire, il résiste donc parfaitement à des charges intenses - expliquement pourquoi c'est un choix supérieur pour les couplages universels pour les machines lourdes et les couplages universels non flexibles pour les applications industrielles. La fabrication de précision de Raydafon s'assure qu'elle offre des performances solides à chaque fois, en particulier pour les industries qui ne peuvent pas faire de compromis sur la livraison de couple cohérente.
Ce couplage universel SWC-WF est construit pour durer, avec une connexion de bride rigide qui facilite l'installation dans des systèmes tels que les lecteurs de construction navale et les rouleaux - places où le mouvement axial n'est pas beaucoup. Nous suivons strictement les normes ISO 9001, et notre usine basée en Chine utilise un usinage avancé et des vérifications de qualité serrée pour faire de ce couplage universel de bride durable. Il est disponible en tailles personnalisables, avec des cotes de couple jusqu'à 1250 kN · m, il s'adapte donc aux couplages universels personnalisés pour l'équipement de métallurgie et autres configurations robustes. Raydafon propose également des solutions sur mesure à des prix compétitifs, aidant à réduire les temps d'arrêt et à stimuler la fiabilité de votre équipement.
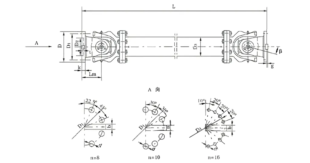
| Non. | Diamètre de giration D MM | Couple nominal TN Kn · m | Angle de pliage des axes β (°) | Couple fatigué TF Kn · m | Taille (mm) | Inertie rotative kg.m2 | Poids (kg) | |||||||||||
| LMIN | D1 (JS11) | D2 (H7) | D3 | LM | n-d | k | t | b (H9) | g | LMIN | Augmenter 100 MM | LMIN | Augmenter 100 MM | |||||
| SWC285WF | 285 | 90 | 45 | ≤15 | 810 | 245 | 170 | 194 | 160 | 8-21 | 27 | 7 | 40 | 15 | 2.664 | 0.051 | 220 | 6.3 |
| SWC315WF | 315 | 125 | 63 | 915 | 280 | 185 | 219 | 180 | 10-23 | 32 | 8 | 40 | 15 | 4.469 | 0.0795 | 300 | 8.0 | |
| SWC350WF | 350 | 180 | 90 | 980 | 310 | 210 | 267 | 194 | 10-23 | 35 | 8 | 50 | 16 | 7.388 | 0.2219 | 412 | 15.0 | |
| SWC390WF | 390 | 250 | 125 | 1100 | 345 | 235 | 267 | 215 | 10-25 | 40 | 8 | 70 | 18 | 13.184 | 0.2219 | 588 | 15.0 | |
| Swc440wf | 440 | 355 | 180 | 1290 | 390 | 255 | 325 | 260 | 16-28 | 42 | 10 | 80 | 20 | 23.250 | 0.4744 | 880 | 21.7 | |
| Swc490wf | 490 | 500 | 250 | 1360 | 435 | 275 | 325 | 270 | 16-31 | 47 | 12 | 90 | 22.5 | 40.750 | 0.4744 | 1173 | 21.7 | |
| SWC550WF | 550 | 710 | 355 | 1510 | 492 | 320 | 426 | 305 | 16-31 | 50 | 12 | 100 | 22.5 | 68.480 | 1.3570 | 1663 | 34.0 | |
| SWC620WF | 620 | 1000 | 500 | 1690 | 555 | 380 | 426 | 340 | 10-38 | 55 | 12 | 100 | 25 | 127.530 | 1.3570 | 2332 | 34.0 | |
* 1. TF-sous l'alternance charge le couple qui permet en fonction de la résistance à la fatigue.
* 2. Longueur de l'installation L, qui est selon l'exigence.
SWC-WF de Raydafon sans flux de bride à la bride de type Flex - Couplage des articulations universels - également appelée le couplage conjoint universel de l'arbre SWC Cardan - se révèle sur une idée mécanique de base: il obtient un couple de deux arbres non collinéaires à l'endroit où il doit aller, et il gère également le désalignement. Ce couplage joint universel à torque élevé utilise une configuration de portion transversale pour relier les brides aux deux extrémités, donc même lorsque les arbres sont décalés jusqu'à 25 degrés ou ont des écarts axiaux / radiaux, il déplace toujours la puissance de rotation en douceur.
Le cœur de son fonctionnement est la conception conjointe universelle - il y a un arbre transversal qui agit comme un pivot, permettant à chaque bride se déplacer seule. De cette façon, le couple passe de l'arbre de conduite à l'arbre entraîné efficacement, et il compense les désalignements angulaires sans mettre trop de contrainte sur les pièces auxquelles il est connecté. Si vous avez besoin d'un couplage de joint universel lourd fiable pour les opérations de rouleaux, la structure de brides rigides et non flexible maintient les choses stables, ce qui est parfait pour les connexions à courte distance dans des configurations de machines lourdes compactes.
Ce qui distingue sa fonction, c'est qu'il n'a pas de pièces flexibles ou de caractéristiques d'expansion - cela le distingue des autres types et le rend idéal pour les endroits où le mouvement axial est minime. L'accouplement d'arbre à articulation universel SWC durable que nous utilisons dans l'équipement de levage et de manutention des matériaux s'appuie sur ce principe pour rester équilibré même sous de grandes charges; Il atteint l'efficacité de transmission jusqu'à 98,6% et ne gaspille pas beaucoup d'énergie. Ce couplage conjoint universel industriel réduit également les vibrations grâce à un mouvement de roulement précis, il se déroule donc en douceur même dans des situations de stress élevé, tout comme les systèmes de couplage commun de machines lourdes universels que vous verriez dans des travaux industriels difficiles.
De plus, le couplage joint universel swc de Raydafon a soudé des brides pour la rendre plus robuste - rien de plus à ce que les boulons se détachent, et cela augmente la résistance globale de 30% à 50%. En tant que couplage articulaire universel efficace pour une grande transmission de puissance, il gère les couples nominaux de 0,15 à 1000 kN · m et a des diamètres de giration de φ58 à φ620, ce qui en fait un choix supérieur pour les solutions de couplage conjointes universelles d'énergie dans les transmissions industrielles exigeantes. Et avec le bruit maintenu entre 30 et 40 dB (A), ce couplage commun universel à faible bruit se sile, ce qui est idéal pour les endroits industriels où le bruit est une préoccupation, tout en suivant des normes de fiabilité élevées.
Le couplage conjoint universel SWC de Raydafon - souvent appelé le couplage conjoint universel SWC Cardan Shaft - n'est pas seulement une partie régulière; C'est un incontournable pour les configurations industrielles robustes, comme les rouleaux, les machines de hissage et toutes sortes de systèmes de machines lourds difficiles. En tant que couplage joint universel à torque élevé, il fait un travail solide reliant deux puits de transmission qui ne s'alignent pas parfaitement, en s'assurant que la puissance continue de couler même lorsque les conditions de travail deviennent rugueuses.
Parlons de ses spécifications clés: le diamètre de giration varie de φ58 à φ620, le couple nominal va de 0,15 à 1000 kN · m et l'angle de pliage de l'axe ne dépasse pas 25 °.
Ce produit brille vraiment dans des scénarios spécifiques, comme lorsque vous avez besoin d'un couplage commun des articulations universels fiables pour les opérations de rouleaux, ou d'un couplage arbre universel SWC durable dans un équipement de levage et de manutention des matériaux. Dans ces cas, il prouve sa valeur en gardant les opérations stables, même lorsqu'elle traite des charges lourdes.
Le couplage conjoint universel SWC de Raydafon n'est pas seulement construit pour la fonction - il est conçu avec une conception intelligente à tenir dans un usage industriel et à continuer de bien fonctionner à long terme. Décomposons ce qui fait ressortir sa structure.
Tout d'abord, il a une configuration raisonnable et sûre: nous avons utilisé une conception de tête de fourche intégrée pour ce couplage conjoint universel industriel, ce qui réduit les risques comme les boulons qui se détachent ou se brisent. Cela seul augmente son intégrité structurelle de 30% à 50%, il fonctionne donc en toute sécurité et de manière fiable. Par rapport aux accouplements réguliers, il dure plus longtemps et évite les pannes courantes dans les taches de stress élevé, comme les systèmes de couplage commun universels de machines lourds que vous voyez dans des travaux difficiles.
Ensuite, il y a sa capacité de chargement améliorée: ce couplage conjoint universel SWC est conçu pour gérer de gros poids, il s'agit donc d'un incontournable dans des endroits qui ont besoin d'une gestion de la charge de premier ordre, comme des machines miniers ou de construction.
Il offre également une efficacité de transmission élevée, pouvant atteindre 98,6%. En tant que couplage articulaire universel efficace pour une grande transmission de puissance, il réduit la consommation d'énergie et les coûts qui l'accompagnent. C’est pourquoi il s’agit de haut choix pour les solutions de couplage communs universelles dans les configurations de transmission industrielle de haute puissance.
Et il fonctionne lisse avec un faible bruit: il maintient la transmission stable et le bruit reste généralement entre 30 et 40 dB (a). Ce couplage conjoint universel à faible bruit s'assure que les opérations restent silencieuses, ce qui est parfait pour les endroits où le bruit est un problème, tout en gardant la fiabilité à un niveau élevé.
⭐⭐⭐⭐⭐ Chen Liang, ingénieur de production, Zhejiang Machinery Co., Ltd.
Nous mettons SWC-WF de Raydafon sans couplage universel de type bride flexible sur l'une de nos lignes de production, et cela a fonctionné jusqu'à présent. La structure est simple mais difficile - l'installation était un jeu d'enfant, pas de mesures compliquées. Une fois qu'il est configuré, il fonctionne en douceur, pas besoin de réglages supplémentaires. Même lorsque la charge est lourde, ce couplage reste fiable, ce qui signifie que nous pouvons garder les machines courir les longues heures sans trop nous soucier - nous donne certainement plus de tranquillité d'esprit.
⭐⭐⭐⭐⭐ Sun Mei, superviseur des achats, Hebei Steel Co., Ltd.
Notre entreprise a acheté plusieurs accouplements universels de type bride SWC-WF sans Flex, et d'abord, la livraison était à temps, et l'emballage a également été prudent - aucun dégât du tout. Ce qui me démarque vraiment, c'est ce que l'équipe de l'atelier a dit: Ils m'ont dit que les couplages étaient faciles à installer, et lorsqu'ils les utilisent, ils se sentent vraiment solides. De plus, par rapport aux autres fournisseurs, le prix ici est juste. Dans l'ensemble, nous sommes vraiment satisfaits de cet achat.
⭐⭐⭐⭐⭐ Guo Jun, gestionnaire de maintenance, Liaoning Heavy Industry Group
Mon travail consiste à faire fonctionner nos machines et j'essaie de réduire autant que possible. Depuis que nous avons commencé à utiliser le swc-wf de Raydafon sans couplage universel de type bride flexible, j'ai remarqué une grande différence - une usure peu impliquée de la pièce et beaucoup moins de problèmes pendant le fonctionnement. La conception est difficile, et elle n'a pas besoin de beaucoup de maintenance. Cela nous fait gagner du temps et de l'argent, et cela s'est avéré être une partie super fiable pour notre équipement.
Raydafon est une filiale clé de toujours Power Group Co., Ltd. - Nous ne sommes pas seulement un fournisseur, mais un fournisseur incontournable pour les composants de transmission de qualité supérieure et les solutions industrielles, et nous mettons beaucoup de concentration sur des produits innovants comme le couplage commun universel SWC Cardan Shaft. Depuis que nous avons commencé, nous avons été de faire progresser la technologie et de croître sur les marchés mondiaux; Nous ne nous sommes pas arrêtés pour vendre des composants uniques - maintenant nous fabriquons des solutions à système complet qui correspondent parfaitement aux besoins industriels agricoles et lourds. Notre savoir-faire dans les arbres d'entraînement et les produits de transmission signifie que les clients qui ont besoin d'un couplage conjoint universel fiable pour les opérations de roulement (et d'autres travaux difficiles) peuvent compter sur nous comme un partenaire solide.
Chez Raydafon, nous fabriquons une large gamme de produits: boîtes de vitesses, arbres d'entraînement, cylindres hydrauliques, poulies et même machine-outils avancés comme les tours CNC et les machines à mouler. Nos solutions de couplage conjointes universelles à torque élevé - prenez la série SWC, par exemple - sont construites pour gérer les exigences strictes des industries qui nécessitent un couplage de l'arbre conjoint SWC durable dans l'équipement de levage et de manutention des matériaux. Nous avons également des installations avancées: ateliers CNC, machines de broyage et de traitement thermique, outils de mesure 3D, le tout pour s'en tenir aux normes ISO9001 / TS16949, donc chaque couplage conjoint universel industriel que nous faisons est de qualité supérieure et précise.
Nous vendons 80% de nos produits à l'étranger, à des marchés comme les États-Unis, l'Allemagne, le Japon, l'Italie, la Malaisie, l'Australie et le Moyen-Orient. Et nous avons un réseau solide dans des endroits comme la Chine, la Corée du Sud, le Royaume-Uni, Singapour, les États-Unis et l'Espagne pour soutenir cela. Cette portée globale nous permet de créer des solutions personnalisées, comme le couplage conjoint universel SWC, conçu pour les systèmes de couplage conjoint universels de machines lourdes qui doivent gérer de grandes charges et durer longtemps.
L'innovation et la création de clients sont nos priorités. Nous proposons des solutions de couplage articulaire universel qui sauvent jusqu'à 98,6% d'efficacité de transmission, réduisant les coûts opérationnels pour les configurations de haute puissance. Que vous ayez besoin d'un couplage conjoint universel efficace pour une grande transmission de puissance ou un couplage conjoint universel à faible bruit pour les endroits où le bruit est important, nos produits sont livrés avec un service après-vente professionnel - et nous sommes dédiés à faire les choses correctement. C’est pourquoi Raydafon est le meilleur choix pour tous vos besoins de transmission.
Adresse
Zone industrielle de Luotuo, district de Zhenhai, City de Ningbo, Chine
Tél


+86-574-87168065


Zone industrielle de Luotuo, district de Zhenhai, City de Ningbo, Chine
Copyright © Raydafon Technology Group Co., limité tous droits réservés.
Links | Sitemap | RSS | XML | politique de confidentialité |
