QR Code
À propos de nous
Produits
Contactez-nous

Téléphone

Fax
+86-574-87168065

E-mail

Adresse
Zone industrielle de Luotuo, district de Zhenhai, City de Ningbo, Chine
Si votre machinerie lourde (pensez aux engins de construction qui transportent des charges toute la journée ou aux moissonneuses agricoles qui travaillent sans arrêt pendant la saison de plantation) a besoin d'un accouplement qui s'adapte aux espaces restreints tout en délivrant un couple important, l'accouplement à joint universel de type flexible super court SWP-G de Raydafon est exactement ce que vous recherchez. Il est spécialement conçu pour les configurations compactes où chaque centimètre compte, sans lésiner sur la puissance dont vous avez besoin.
Parlons d’abord de sa taille : ce design « super court » n’est pas seulement une étiquette : il est conçu pour se glisser dans des endroits restreints que d’autres accouplements ne peuvent pas atteindre, ce qui est une bouée de sauvetage lorsque les composants de votre machine sont rapprochés les uns des autres. Ses diamètres de giration vont de 225 mm à 350 mm, ce qui lui permet de s'adapter parfaitement aux configurations d'équipements lourds de taille moyenne. En tant qu'accouplement à joint universel à flexibilité courte, il gère jusqu'à 5 degrés de désalignement angulaire (suffisamment pour tenir compte des petits changements qui se produisent lorsque les machines fonctionnent à plein régime) tout en supportant un couple allant jusqu'à 224 kN·m. Et il est doté d'un élément flexible intégré, qui absorbe les chocs et les vibrations afin que vos autres pièces ne subissent pas l'usure.
Nous n’avons pas non plus lésiné sur les matériaux. Il est fabriqué en acier à haute résistance pour plus de durabilité et en composants en bronze qui ajoutent de la douceur à son mouvement. Il résiste donc aux aléas des chantiers de construction ou à la poussière et aux débris des champs agricoles. C’est pourquoi il s’agit d’un premier choix pour les accouplements à cardan pour les machines lourdes ; cela ne fonctionne pas qu’une seule fois : cela continue, même lorsque les conditions deviennent compliquées. Pour les agriculteurs, il s’agit également d’un accouplement flexible fiable pour le matériel agricole, suffisamment robuste pour supporter les longues heures de la saison des récoltes sans tomber en panne.
Chez Raydafon, notre fabrication en Chine respecte strictement les normes ISO 9001 : la qualité de chaque accouplement SWP-G est vérifiée, de l'acier que nous utilisons à l'ajustement de l'élément flexible. Nous savons qu'il n'y a pas deux tâches identiques, c'est pourquoi nous proposons également des solutions sur mesure, que vous ayez besoin d'une légère modification de la taille ou d'un ajustement spécifique pour votre équipement. Et mieux encore, son prix est compétitif : vous obtenez un raccord universel durable qui s'adapte à votre espace et à votre budget. Pour tous ceux qui en ont assez des accouplements trop gros, trop faibles ou trop chers, ce modèle SWP-G est la solution simple et hautes performances que vous recherchiez.
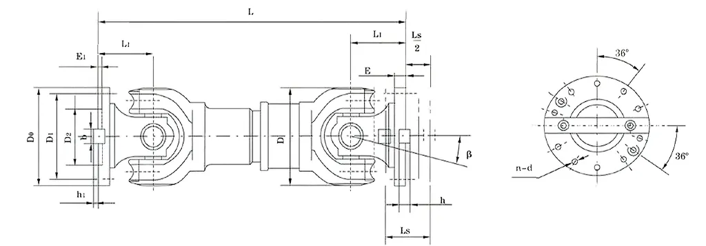
| Modèle | SWP225G | Lot250g | SWP285G | SWP315G | SWP350G | |
| D | 225 | 250 | 285 | 315 | 350 | |
| Tn kn.m | 56 | 80 | 112 | 160 | 224 | |
| Tf KN.m | 28 | 40 | 56 | 80 | 112 | |
| β≤ | 5° | 5° | 5° | 5° | 5° | |
| Taille (mm) | S | 40 | 40 | 40 | 40 | 50 |
| L | 470 | 600 | 665 | 740 | 850 | |
| D | 275 | 305 | 348 | 360 | 405 | |
| D1 | 248 | 275 | 314 | 328 | 370 | |
| D2(H7) | 135 | 150 | 170 | 185 | 210 | |
| E | 15 | 15 | 18 | 18 | 22 | |
| E1 | 5 | 5 | 7 | 7 | 8 | |
| b-h | 32-18 | 40-18 | 40-24 | 40-24 | 50-32 | |
| h1 | 9 | 9 | 12 | 12 | 16 | |
| L1 | 80 | 100 | 120 | 135 | 150 | |
| s-d | 10-15 | 10-17 | 10-19 | 10-19 | 10-21 | |
| M(kg) | 78 | 142 | 190 | 260 | 355 | |
* Remarque : exemples de marquage : diamètre de giration D=315 mm, longueur d'installation L=620 mm, type G-court sans type flexible Accouplement SWP315GX620
Le couplage à joint universel de type flexible super court SWP-G de Raydafon est conçu pour les endroits restreints où vous avez besoin à la fois de flexibilité et de puissance. Il est conçu pour déplacer efficacement le couple dans des espaces qui ne disposent pas de place pour des pièces volumineuses, même lorsque les arbres ne sont pas parfaitement alignés. Il ne s’agit pas de n’importe quel accouplement : c’est un accouplement universel à couple élevé qui brille lorsque vous avez besoin d’une courte longueur mais qui refuse de lésiner sur les performances, même sous de lourdes charges.
Prenons par exemple les équipements de construction et les machines lourdes. Les excavatrices creusant dans des sols durs, les chargeuses déplaçant des tonnes de matériaux : ils disposent tous d'espaces restreints où les pièces se frottent les unes contre les autres. Le SWP-G s'intègre parfaitement en tant qu'accouplement universel fiable pour les machines industrielles, absorbant les vibrations et gérant le mouvement constant auquel ces machines sont confrontées. Sa conception ultra courte se glisse sans problème dans des assemblages exigus, garantissant que la puissance arrive là où elle doit aller sans sacrifier la durabilité ou son fonctionnement.
Les agriculteurs l’apprécieront également. Les tracteurs qui labourent des champs inégaux, les moissonneuses qui travaillent sur des terrains accidentés : ils ont besoin d'accouplements capables de suivre les parcours cahoteux et les changements de vitesse. Ce SWP-G agit comme un accouplement universel robuste pour les arbres de transmission des équipements agricoles, s'adaptant aux désalignements angulaires liés aux travaux tout-terrain. Cela signifie moins d'usure sur les machines, ce qui signifie qu'elles durent plus longtemps, même lorsque les conditions de terrain deviennent difficiles.
Les configurations marines l’adorent aussi, en particulier dans les compartiments moteur étroits des bateaux. L’eau salée et l’humidité n’ont aucune chance contre sa construction résistante à la corrosion, ce qui en fait un premier choix comme raccord universel marin. Il gère les charges dynamiques des vagues et la poussée des systèmes de propulsion, assurant ainsi le bon fonctionnement, que vous soyez en mer ou dans un port très fréquenté.
Et n’oublions pas les énergies renouvelables : les éoliennes tournent en hauteur, les trackers solaires se déplacent avec le soleil. Ces systèmes nécessitent un contrôle précis dans des espaces limités, et le SWP-G se présente comme un accouplement universel polyvalent pour les équipements d'énergie renouvelable. Il gère un couple élevé sans trop de jeu, ce qui vous permet d'obtenir des performances fiables avec peu de maintenance, ce qui est parfait pour maintenir le bon fonctionnement des systèmes énergétiques durables.
Chez Raydafon, nous ne vendons pas seulement le SWP-G, nous l'adaptons à vos besoins. Que vous travailliez sur du matériel de construction, des machines agricoles, des bateaux ou des installations d'énergie renouvelable, nous pouvons l'ajuster pour qu'il s'adapte exactement à ce que vous construisez. Si vous souhaitez voir comment ce couplage peut rendre vos opérations plus fluides, contactez simplement notre équipe. Nous allons vous montrer pourquoi c’est le choix judicieux pour les espaces restreints et les travaux difficiles.
Le couplage à joint universel de type flexible super court SWP-G de Raydafon se distingue d'abord par sa construction compacte : cet objet est conçu pour se faufiler dans des configurations mécaniques étroites où l'espace est limité, mais il ne lésine jamais sur la flexibilité ou le couple. Si vous avez affaire à des travaux à couple élevé, il s'agit d'un accouplement universel à couple élevé de premier ordre : il est doté d'éléments flexibles avancés qui lui permettent de gérer des désalignements angulaires assez importants sans gâcher les performances, ce qui change la donne pour les environnements dynamiques où les arbres se déplacent lorsque les machines fonctionnent.
La durabilité est une autre grande victoire ici. Nous utilisons des matériaux robustes et à haute résistance et construisons chaque pièce avec précision, afin qu'elle résiste à l'usure et à la fatigue même lorsqu'elle fonctionne sans arrêt. Cela en fait un accouplement universel solide pour les machines industrielles – pensez aux pompes qui fonctionnent toute la journée ou aux compresseurs sous charge constante. Il absorbe les chocs et les vibrations, maintenant la transmission de puissance stable afin que votre équipement ne subisse pas de contraintes inutiles.
Sa longueur ultra courte est également une bouée de sauvetage pour les systèmes d'entraînement. Lorsque vous travaillez sur des installations automobiles ou de transport, chaque centimètre compte, et cet accouplement s'intègre parfaitement comme accouplement universel efficace pour les arbres de transmission. Il utilise des connexions boulonnées ou à clé, sa fixation est donc rapide et réduit le temps de maintenance ultérieure. De plus, il gère bien les mouvements axiaux, vous n'avez donc pas à vous soucier de son glissement ou de son mauvais ajustement lorsque les pièces se déplacent pendant l'utilisation.
Résistance à la corrosion ? C’est couvert. Nous ajoutons des revêtements protecteurs qui résistent aux intempéries, comme l'eau salée dans les installations marines. C'est pourquoi il fonctionne très bien comme accouplement universel marin pour les systèmes de propulsion : il peut supporter les embruns salés et les charges variables en mer sans rouiller ni se briser, assurant ainsi le bon fonctionnement des bateaux.
Et si vous vous concentrez sur les configurations respectueuses de l’environnement, ce couplage est également à la hauteur. Il transfère l’énergie avec précision, sans aucun jeu, ce qui permet de ne pas gaspiller d’énergie. Cela en fait un accouplement universel fiable pour les équipements d'énergie renouvelable, parfait pour les éoliennes tournant dans le vent ou les suiveurs solaires se déplaçant avec le soleil. Il permet à ces systèmes durables de fonctionner efficacement, ce qui est exactement ce dont vous avez besoin pour les projets d’énergie verte.
Chez Raydafon, nous veillons à ce que chaque SWP-G réponde à des normes de qualité strictes et nous pouvons l'adapter à vos besoins spécifiques, que vous ayez besoin d'un revêtement différent, d'une longueur légèrement ajustée ou d'une connexion personnalisée. Si vous souhaitez en savoir plus sur ses spécifications ou comment l'intégrer dans votre configuration, parlez-en à nos spécialistes. Nous vous aiderons à obtenir exactement ce dont votre machinerie a besoin.
⭐⭐⭐⭐⭐ Li Jian, ingénieur principal, Shanghai Industrial Equipment Co., Ltd.
Nous avons le couplage universel à joint universel SWP-G Super Short Flex de Raydafon sur notre ligne de production depuis quelques mois maintenant, et il a honnêtement surpassé ce que nous espérions. Nos machines ont toujours été limitées en espace (chaque centimètre compte) et la conception compacte de cet accouplement s'adapte comme s'il avait été conçu spécialement pour elles, plus besoin de presser les pièces pour faire de la place. Mais il ne lésine pas non plus sur la fonctionnalité : même en cas de léger désalignement (inévitable en cas d'utilisation intensive), sa flexibilité permet une transmission de puissance fluide, sans à-coups ni hoquet.
C’est aussi difficile : il gère les tâches à couple élevé sans transpirer, et après des mois de fonctionnement, nous n’avons pratiquement constaté aucune usure. L'installation a également été un travail rapide ; notre équipe l’a installé en un rien de temps et il est fiable depuis. Pour tous ceux qui disposent d’un équipement restreint en espace et qui ont néanmoins besoin de performances robustes, cet accouplement est une évidence.
⭐⭐⭐⭐⭐ Emily Walker, directrice technique, New York Manufacturing Solutions, États-Unis
Nous avons remplacé nos anciens et encombrants raccords par le SWP-G de Raydafon dans nos installations de New York, et la différence était évidente dès le premier jour. Ces anciennes unités prenaient beaucoup trop de place et semblaient toujours encombrantes, mais celle-ci s'intègre parfaitement dans les endroits restreints, et le transfert de puissance ? Fluide et stable, même lorsque nous poussons les machines à supporter des charges élevées.
Le plus gros gain, cependant, réside dans les temps d’arrêt. Nous avions l'habitude d'arrêter la production toutes les quelques semaines pour peaufiner ou réparer les anciens raccords, mais avec celui-ci ? Presque aucun. Les coûts de maintenance ont également diminué : plus de remplacements de pièces fréquents ni de réparations d'urgence. Et lorsque nous avons eu une question sur l’installation, le service client de Raydafon nous a répondu rapidement avec des réponses claires. Nous prévoyons déjà d'utiliser leurs produits pour notre prochaine mise à niveau ; ils ont gagné notre confiance.
⭐⭐⭐⭐⭐ Andrea Rossi, responsable des opérations, Milan Engineering, Italie
L'ajout de l'accouplement SWP-G de Raydafon à nos machines de Milan a été l'une des meilleures décisions que nous ayons prises pour notre travail de haute précision. Dans notre métier, l’espace et l’alignement sont décisifs : si une pièce est trop grande ou ne peut pas gérer de petits désalignements, cela perturbe l’ensemble du processus. Ce couplage coche les deux cases : sa petite taille s'adapte à nos configurations étroites et sa conception flexible maintient les opérations fluides, quels que soient les ajustements mineurs dont nous avons besoin.
Depuis que nous l'avons installé, nous avons eu beaucoup moins de problèmes de maintenance : plus besoin d'arrêter la production pour résoudre des problèmes d'alignement ou remplacer des pièces usées. Et lorsque nous le faisons fonctionner à grande vitesse (ce que nous faisons quotidiennement), il résiste parfaitement. En termes de durabilité, il a également dépassé ce à quoi nous nous attendions : après des mois d’utilisation intensive, il a toujours l’air et fonctionne comme neuf. Si vous avez besoin d’un accouplement de haute qualité pour un travail de précision, Raydafon est la solution idéale.
⭐⭐⭐⭐⭐ Jean-Claude Lefevre, Responsable maintenance, Travaux Mécaniques de Lyon, France
Nous utilisons le couplage SWP-G de Raydafon dans nos machines depuis plus de six mois maintenant, et cela a changé la donne pour notre équipe. Tout d’abord, la conception compacte : notre équipement a des espaces très restreints et ce couplage se glisse directement sans que nous ayons besoin de réorganiser d’autres pièces. Ensuite, il y a la flexibilité : cela soulage nos machines, ce qui signifie moins d’usure sur les autres composants et moins de pannes.
Même lorsque nous exécutons de lourdes charges, ses performances restent constantes : pas de creux, pas de bruits étranges, juste un fonctionnement fiable. L'installation était également simple ; nos techniciens n’ont pas eu besoin de passer des heures à le comprendre. La meilleure partie ? L’efficacité de notre ligne de production est désormais bien meilleure, grâce à la réduction des temps d’arrêt. Nous continuerons absolument à utiliser les produits Raydafon : ce couplage a prouvé qu’il en valait la peine.
L'accouplement à joint universel de type flexible super court SWP-G de Raydafon fonctionne en utilisant une transmission de couple flexible : considérez-le comme un pont entre les arbres qui peut bouger un peu sans rompre la connexion. Il utilise des éléments en élastomère (fantastiques pour les pièces flexibles ressemblant à du caoutchouc) pour gérer les désalignements, tout en garantissant que la puissance passe d'un arbre à l'autre sans gaspiller d'énergie. En tant qu'accouplement universel compact à couple élevé, il est doté d'un disque flexible central ou d'une araignée qui absorbe les changements angulaires, axiaux et radiaux. Ainsi, même lorsque les arbres ne sont pas parfaitement alignés, la rotation reste fluide, même dans les espaces restreints où chaque centimètre compte.
Le cœur de son fonctionnement réside dans sa conception ultra courte. Il combine des composants robustes et flexibles qui peuvent se plier légèrement sous la charge pour compenser les décalages, ce qui évite que trop de contraintes ne frappent vos machines. C'est pourquoi il s'agit d'un accouplement universel si solide pour les machines industrielles : que les vitesses ou les charges changent, il transmet la force de rotation avec pratiquement aucun jeu, de sorte que votre équipement reste stable.
Voici la répartition : l'arbre d'entrée tourne, ce qui déplace l'élément flexible, et cet élément transmet ensuite le couple à l'arbre de sortie en fléchissant juste assez : pas de à-coups, pas d'arrêts brusques. C'est un gros problème pour les arbres de transmission, ce qui en fait un accouplement universel fiable pour les arbres de transmission dans des configurations telles que les transmissions automobiles, où vous avez besoin d'un alignement précis mais n'avez pas beaucoup d'espace pour travailler.
Lorsque les choses deviennent difficiles, comme dans les environnements marins avec des vagues qui secouent le bateau, la conception flexible du SWP-G absorbe les vibrations et les chocs, ce qui lui permet de durer plus longtemps. Il s'agit d'un accouplement universel marin robuste, car ces pièces flexibles résistent à la corrosion et gèrent le mouvement de va-et-vient des vagues, gardant ainsi la propulsion efficace, quelle que soit la turbulence de l'eau.
Et pour les installations d’énergie verte ? Ce principe brille là aussi. Il déplace l'énergie de manière efficace, avec pratiquement aucune perte, ce qui en fait un excellent accouplement universel pour les équipements d'énergie renouvelable. Qu’il s’agisse de trackers solaires compacts ou de petites éoliennes, il assure le bon fonctionnement sans gaspiller d’énergie – parfait pour les systèmes durables où chaque efficacité compte.
Chez Raydafon, nous construisons le SWP-G pour qu'il soit fiable et prêt à répondre à vos besoins spécifiques. Si vous souhaitez des détails techniques ou avez besoin d'aide pour déterminer comment il s'intègre dans votre configuration, nos spécialistes sont là pour vous guider – pas de jargon, juste des réponses claires.
Adresse
Zone industrielle de Luotuo, district de Zhenhai, City de Ningbo, Chine
Tél


+86-574-87168065


Zone industrielle de Luotuo, district de Zhenhai, City de Ningbo, Chine
Copyright © Raydafon Technology Group Co., limité tous droits réservés.
Links | Sitemap | RSS | XML | politique de confidentialité |
